EN
照明公會
公會沿革
理事長的話
組織體系與公會幹部
服務項目
活動花絮
入會申請/會員資料變更
Home 2
New
活動公告
國際展會暨海外拓銷
產業動態暨法令公告
國際合作(GLA)
出版品
照明雜誌
照明報(電子報)
會員名錄
購買刊物
廣告刊登
照明知識
產業標準、檢驗與知識
影片分享
資料下載
課程資訊
產品查詢
網站連結
政府機關
國內外公協會
鐙烜獎
能力鑑定
活動公告 - 產業動態暨法令公告
首頁
/
活動公告
/
產業動態暨法令公告
國際展會暨海外拓銷
|
產業動態暨法令公告
|
國際合作(GLA)
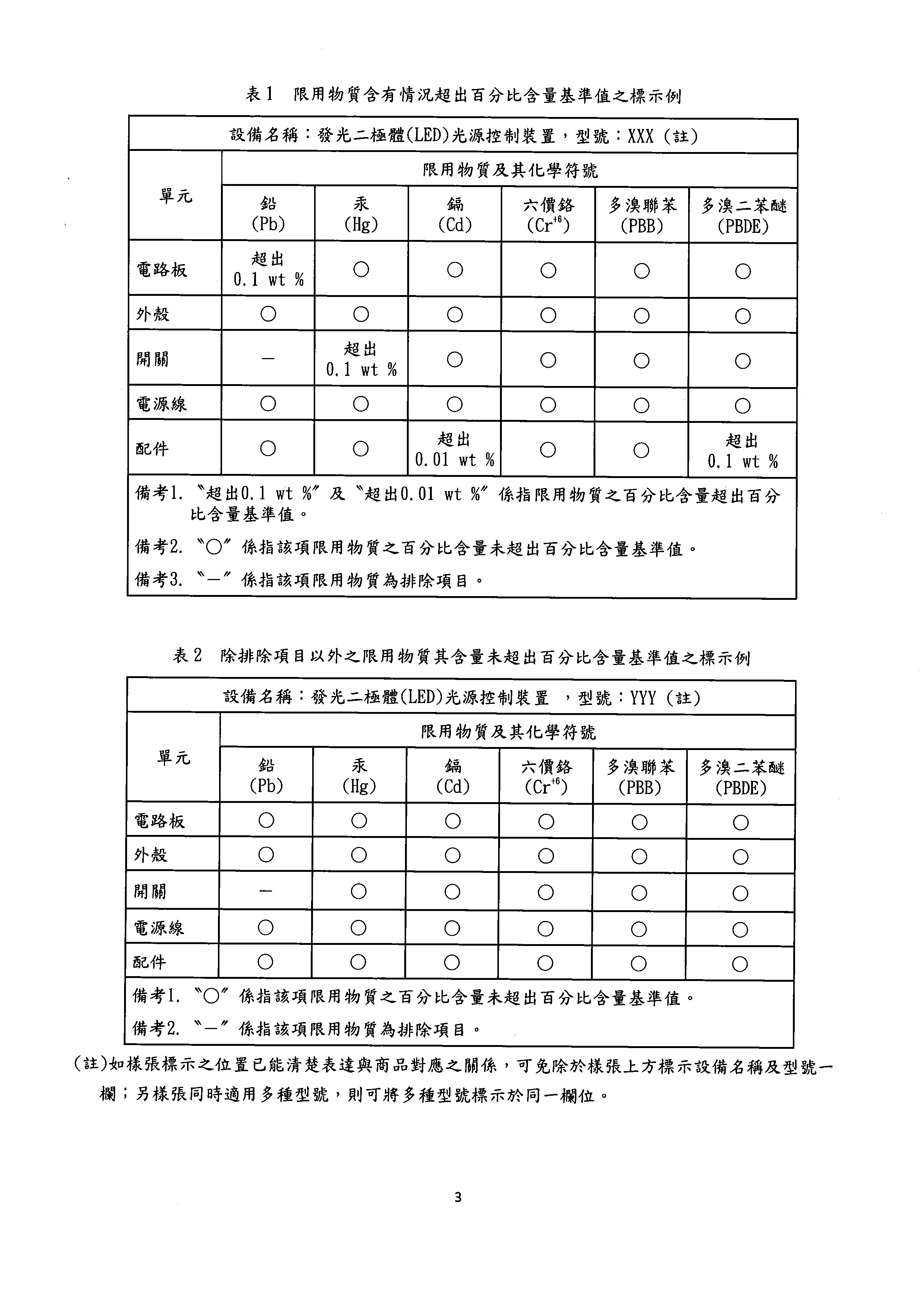
經濟部標準檢驗局-「應施檢驗發光二極體(LED)光源控制裝置商品之相關檢 驗規定」訂定草案
下載檔案
回上一頁
發佈日期:2025/10/01
訂閱
照明公會
公會沿革
理事長的話
組織體系與公會幹部
服務項目
活動花絮
入會申請/會員資料變更
課程/講座/研討會
活動公告
國際展會暨海外拓銷
產業動態暨法令公告
國際合作(GLA)
照明知識
產業標準、檢驗與知識
影片分享
資料下載
出版品
照明雜誌
照明報(電子報)
會員名錄
購買刊物
廣告刊登
文章報導
課程資訊
產品查詢
網站連結
政府機關
國內外公協會
鐙烜獎
能力鑑定